Особенность:
Обладает высокой прочностью, устойчивостью к высокому давлению и агрессивному химическому загрязнению
Корпус разработан для использования в системах обратноосмотического обессоливания для различного индустриального и коммерческого применения в процессах обработки воды с давлением до 20 бар (300 psi)
Корпус для непрерывного использования в течение длительного времени, выдерживает большие гидродинамические и гидростатические нагрузки
Предназначен для использования в коммерческих системах обратного осмоса, нанофильтрации и ультрафильтрации. В комплекте с арматурой для крепления на рамную конструкцию
Особенности технологии изготовления:
• Компьютерный контроль процесса намотки обеспечивает высокую точность в расположении и позиционировании
• Точность поддержания температуры во время процесса полимеризации, для этого используются высокотехнологичные камеры
• В процессе сверления используются специализированные кондукторы и оснастка для обеспечения высокой точности
• Все корпуса проходят строгий компьютерный контроль во время гидравлических испытаний для выявления возможных утечек
• Стойкая к УФ излучению финишная окраска
• Строгое соблюдение технологии изготовления в соответствии с нормами ISO и ASME

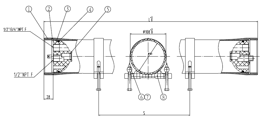
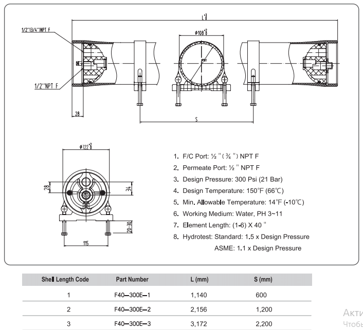
| Модель | Кол-во мембранных элементов | Рабочее давление, PSI | Макс./мин. температура жидкости, 0С | L, мм | S,мм | Вес корпуса, кг |
| Мембранные корпуса 4" (тип элемента 4040) end port |
| F40-300E-1W | 1 | 300 | 66 / -10 | 1140 | 600 | 6.0 |
| F40-300E-2W | 2 | 300 | 66 / -10 | 2156 | 1200 | 9.0 |
| F40-300E-3W | 3 | 300 | 66 / -10 | 3172 | 2200 | 12.0 |
