ПРИЗНАЧЕННЯ
Покажчик потоку призначений для візуального спостереження за потоком рідкого мастильного матеріалу або емульсії в централізованих мастильних системах та системах охолодження з кінематичною в’язкістю від 4 до 400 мм²/с (ст). При температурі навколишнього середовища від 1 до 55°С та мастильного матеріалу від 5 до 50°С. Покажчики потоку виготовлені для експлуатації в районах з помірним кліматом – виконання УХЛ4 за ГОСТ 15150-69.
Таблиця 1. ТЕХНІЧНІ ХАРАКТЕРИСТИКИ
УП-10, УП-16, УП-20, УП-25
| Найменування |
Умовний прохід, Ду |
Пропускний потік робочої рідини, л/хв. |
Робочий тиск, МПа |
| УП-10 |
10 |
10 |
0,4 |
| УП-16 |
16 |
16 |
| УП-20 |
20 |
25 |
| УП-25 |
25 |
40 |
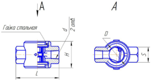
Таблиця 2. ГАБАРИТНІ ТА ПРИЄДНУВАЛЬНІ РОЗМІРИ
УП-10, УП-16, УП-20, УП-25
| Найменування |
d
ГОСТ 6211-81
|
D,мм |
H,мм |
L,мм |
S,мм |
| УП-10 |
Rc 3/8 |
60±0,74 |
54,0±0,74 |
90-1,4 |
32-0,34 |
| УП-16 |
Rc 1/2 |
| УП-20 |
Rc3/4 |
65±0,74 |
60,5±0,74 |
115-1,4 |
41-0,34 |
| УП-25 |
Rc 1 |
Малюнок 1.

Таблиця 3. ТЕХНІЧНІ ХАРАКТЕРИСТИКИ
УП-32, УП-40, УП-50
| Найменування |
Умовний прохід, Ду |
Пропускний потік робочої рідини, л/хв. |
Робочий тиск, МПа |
| УП-32 |
32 |
50 |
0,4 |
| УП-40 |
40 |
63 |
| УП-50 |
50 |
80 |
Таблиця 4. ГАБАРИТНІ ТА ПРИЄДНУВАЛЬНІ РОЗМІРИ
УП-32, УП-40, УП-50
| Найменування |
Dy |
D |
d |
d1 |
d2 |
B |
L |
| УП-32 |
32 |
135 |
75 |
100 |
82 |
2 |
160 |
| УП-40 |
40 |
145 |
83 |
110 |
90 |
3 |
170 |
| УП-50 |
50 |
160 |
100 |
125 |
104 |
3 |
180 |