Закріплювальний підшипник US 203 G2 (розмір 17x40x22)
Виробник: SNR
Тип підшипника: підшипниковий вузол
Внутрішній діаметр: d=17 мм.
Зовнішній діаметр: D= 40 мм.
Ширина: B = 22 мм.
Аналоги: AS 203 D1 NTN, GAY 17-NPP-B INA, SB 203 G FBJ, US 203 G2 SNR

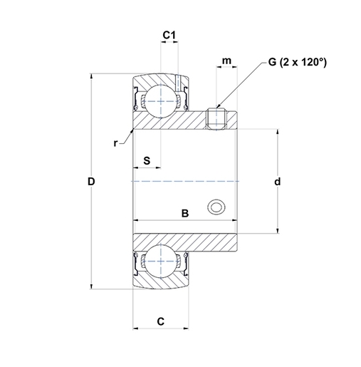
РОЗМІРИ
| Марка |
SNR |
| B — Ширина внутрішнього кільця |
22 mm |
| C — Ширина зовнішнього кільця |
12 mm |
| C1 — Відстань від центру зовнішнього кільця до центру зони подавання мастила |
3,6 mm |
| d — Діаметр вала |
17 mm |
| D - Зовнішній діаметр зовнішнього кільця |
40 mm |
| G — Розмір установного гвинта |
M5x0,8 |
| m — Відстань до встановлення гвинта |
4 mm |
| r — Радіус внутрішнього кільця |
0.6 |
| S — Відстань від центру доріжки кочення до лицьового боку (противну сторону системи фіксації) |
6 mm |
| SW — Розмір ключа |
2,5 mm |
ВИРОТКІСТЬ
| З - Динамічна вантажність |
9,55 kN |
| C0 — Статична вантажність |
4,78 kN |
| Робоча температура хв. |
-20 °C |
| Робоча температура макс. |
100 °C |