Разделители сред РМ5319,РМ 5320, РМ5321,РМ5322 предназначены для предохранения внутренней полости чувствительных элементов измерительных устройств (манометров и преобразователей давления) от попадания в нее сред, агрессивных, горячих, кристаллизующихся, несущих взвешенные твердые частицы.
При необходимости, сторона мембраны разделителя, соприкасающаяся с агрессивной измеряемой средой, может быть защищена фторопластом.
Разделители могут соединяться с измерительным устройством непосредственно или через соединительный рукав модели 55004.
ОСНОВНЫЕ ТЕХНИЧЕСКИЕ ХАРАКТЕРИСТИКИ
Разделители выпускаются по ТУ 25-05.2343-78.
Основные параметры разделителей указаны в таблице.
|
Модель разделителя
|
Верхние пределы измерений измерительных устройств, комплектуемых разделителями, МПа (кгс/см2)
|
Объемы, заполняемые разделительной жидкостью измерительных устройств, комплектуемых разделителями, см3
|
|
5319, 5320, 5497
|
0
|
40
|
|
5321, 5322
|
4-60 (40-600)
|
20
|
|
5494
|
0,6-2,5 (6-25)*
|
Примечания: 1. Разделители, рассчитанные на давленияа (0,25; 0,4; 0,6 кгс/см2) предназначены для работы только с преобразователями давления ГСП, указанными в разделе 6.
2. Разделители моделей 5320, 5322 (с открытой мембраной) предназначены для сред, кристаллизующихся, выделяющих осадки или несущих взвешенные твердые частицы.
Разделители предназначены для работы в условиях, нормируемых для вида климатического исполнения У3* и Т3** по ГОСТ 15150-69, но при температуре окружающего воздуха от – 30 до + 60 °С.
Температура измеряемой среды на входе разделителя должна быть в пределах от – 30 до + 60 °С.
Разделители всегда применяются с соединительным рукавом, если температура измеряемой среды на входе разделителя выше указанной.
Разделитель с измерительным устройством функционирует при температуре до 90 °С. При соединении измерительного устройства с разделителем с помощью гибкого рукава и заполнении комплекта разделительной жидкостью (ПЭС-2 ГОСТ 13044-77, ПМС-6 или ПМС-50 ГОСТ 13032-77) температура измеряемой среды должна быть не более 100 °С.
Матеpиалы деталей pазделителей, контактиpующих с измеpяемой сpедой: сталь 12Х18Н10Т (ГОСТ 5632-72) – коpпус; сталь 36НХТЮ (ГОСТ 10994-74) – мембpана. Для модели 5494 материал фланца нижнего – сталь 45 (ГОСТ 1050-88).
Масса разделителей не более, кг:
3 – для моделей 5319, 5494, 5497;
2,2 – для модели 5321;
2 – для модели 5320;
1,5 – для модели 5322.
Масса соединительного рукава не более 0,4 кг.
При заказе разделителя указывать: наименование, условное обозначение, модель и, в случае необходимости, наличие соединительного рукава и пленки из фторопласта, климатическое исполнение (указывается только для исполнения Т), обозначение технических условий.
Примеры заказа:
Разделитель РМ, модель 5319, ТУ 25-05.2343-78.
Разделитель РМ, модель 5319, фторопласт, ТУ 25-05.2343-78.
Разделитель РМ, модель 5319, рукав модели 55004, ТУ 25-05.2343-78.
Разделитель РМ, модель 5319-Т3, ТУ 25-05.2343-78.
Габаритные и присоединительные размеры разделителей указаны на рис. 10-15, а рукава соединительного гибкого модели 55004 – на рис. 16.
Разделители изготовляются для нужд народного хозяйства и для поставки на экспорт (в том числе для тропического климата).
Дополнительная погрешность измерения, вносимая разделителем, не более ± 1 % нормирующего значения устройства при заполнении системы разделительными жидкостями, указанными выше.
По требованию заказчика разделители (разделители с соединительным рукавом) могут комплектоваться с измерительными устройствами типов: МТИ по
ТУ 25.05.1481-77; МС-П1, МС-П2, МВС-П1, МВС-П2, ВС-П1, МП-П2, МП-П3, МП-П4 на давление 60 МПа (600 кгс/см2) по ТУ 25.05.2081-79 (только разделители с соединительным рукавом). В этом случае при заказе разделителя необходимо указать соответствующее измерительное устройство, пример заказа которого приведен в разделах 6 или 8.
Пpимеpы заказа:
Разделитель РМ, модель 5321, ТУ 25-05.2343-78, МТИ-1246-4 МПа-01,
ТУ 25.05.1481-77.
Разделитель РМ, модель 5319, ТУ 25-05-2343-78, ГСП.МС-П13-У3, веpхний пpедел допускаемой основной погpешности Dд = ± 0,25 %, ТУ 25-05.2081-79.

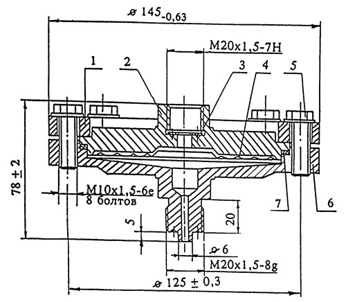
Рис. 1. Габаритные и присоединительные размеры
разделителя мембранного РМ модели 5319
1-верхний фланец; 2-корпус; 3-прокладка; 4-мембрана;
5-болт; 6-нижний фланец; 7-прокладка

Рис. 2. Габаритные и присоединительные размеры разделителя мембранного РМ модели 5320
1 – верхний фланец; 2 – корпус; 3 – прокладка;
4 – мембрана; 5 – болт; 7 – прокладка.
Рис. 3. Габаритные и присоединительные размеры разделителя мембранного РМ моделей 5321
1 – верхний фланец; 2 – корпус; 3 – прокладка;
4 – мембрана; 5 – болт; 6 – нижний фланец;
7 – прокладка.

Рис. 4. Габаритные и присоединительные размеры разделителя
мембранного РМ модели 5322
1 – верхний фланец; 2 – корпус; 3 – прокладка;
4 – мембрана; 5 – болт; 7 – прокладка
