Стаціонарний підшипниковий узел UCP208 (розмір 40x184x49)
Виробник: SNR
Тип підшипника: підшипниковий вузол
Внутрішній діаметр: d= 40 мм.
Зовнішній діаметр: D= 184 мм.
Ширина: B = 49 мм.

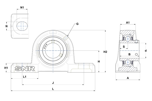
РОЗМІРИ
| Марка |
SNR |
| А - Ширина корпусу |
54 mm |
| A1 — Ширина корпусу зверху |
34 mm |
| B — Ширина внутрішнього кільця |
49,2 mm |
| d — Діаметр вала |
40 mm |
| G — Прес-оливка |
M6x1 |
| H — Відстань між монтажною основою й осьовою лінією сфери. діаметр посадки |
49,2 mm |
| H1 — Висота основи корпусу |
19 mm |
| H2 — Висота корпусу |
100 mm |
| J — Відстань між монтажними отворами |
137 mm |
| L — Довжина корпусу |
184 mm |
| L1 — Довжина основи корпусу |
52 mm |
| N — Розмір монтажного отвору |
17 mm |
| N1 — Довжина монтажного отвору |
23 mm |
| S — Відстань передня сторона/центр підшипника |
19 mm |
ВИРОТКІСТЬ
| З - Динамічна вантажність |
29,6 kN |
| C0 — Статична вантажність |
18,2 kN |
| Робоча температура хв. |
-20 °C |
| Робоча температура макс. |
100 °C |